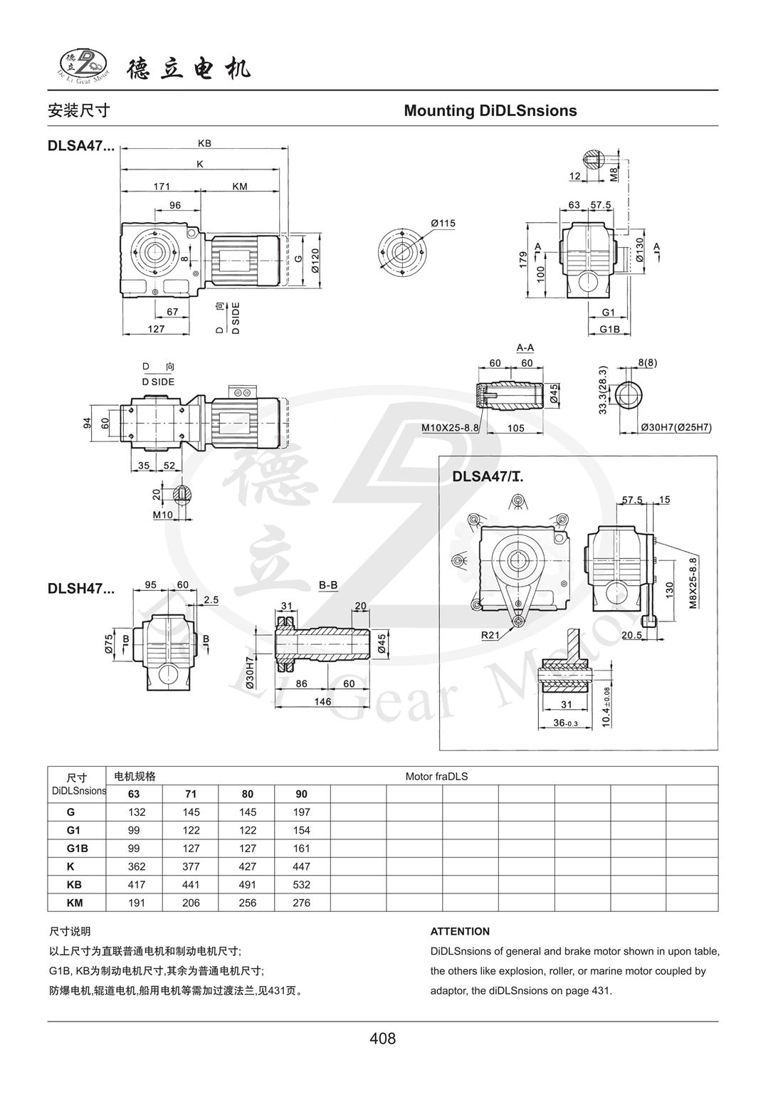
DLS系列斜齿轮-蜗杆减速电机
您现在所在的位置:首页 > DLS系列斜齿轮-蜗杆减速电机DLS系列斜齿轮-蜗杆减速电机
发布日期:2022-10-26

功率:0.25~22kW
转矩:43~4000Nm
速比:7.00~11501
输出轴型式:实心轴、空心轴(平键、花键、锁紧盘)
安装方式:地脚式、法兰、扭力臂
S系列斜齿轮蜗轮减速机
功率:0.25~22kW
转矩:43~4000Nm
速比:7.00~11501
输出轴型式:实心轴、空心轴(平键、花键、锁紧盘)
安装方式:地脚式、法兰、扭力臂
S系列斜齿轮蜗轮减速机
S系列斜齿轮蜗轮减速机特点:
1、结构紧凑,??榛纳杓?,方便配合各种型式电动机,减速比大,提高减速机力矩与效率,加工精度高,传动平稳,体积小,承载能力大
2、吸振强、低温升、低噪声,密封性能好,适应强,可在恶劣环境中连续工作,具有防腐特点
3、减速机传动精度高
4、安装方式多样化
S系列斜齿轮蜗轮减速机使用条件:
1、环境温度数-40℃-50℃
2、海拔不超过1000米
3、输入转速不大于1800rpm,齿轮最高圆周速度不超过22m/s
4、可用于正反转
在使用S系列斜齿轮蜗轮减速机的时候注意在意上述注意事项,避免使用在不合适的环境下,影响我们正常使用,注意使用环境,这种减速机减速比大,根据国际技术要求制造,由斜齿轮与蜗轮蜗杆
组合一体传动,提高减速机的力矩与效率,减速机关键零部件采用了高耐磨材料,经过特种处理,加工精度高,传动平稳,体积小,承载能力大,寿命长。使用之前注意仔细阅读使用说明,注意相关注
意事项。












.jpg)




.jpg)
.jpg)






.jpg)








































浙公网安备 33060402001457号 备案号: